
Ó¦ÓÃÔÚµçÆø»¯Ìú·ÓÃ27.5kVÇ£Òý¹©µçϵͳÖУ¬×°ÖÃÔÚ27.5kVµ¥ÏཻÁ÷½»Áª¾ÛÒÒÏ©¾øÔµµçÀ»§Íâ¶ËÍ·²à£¬ÊµÏÖÓë»§Íâ¸ßѹµçÆ÷»ò×°±¸µÄµçÆøÅþÁ¬
ÏÂÔØÊÖ²á3¡¢×°ÖÃʱƾ֤ҪÇó´¦Öóͷ£ºÃµçÀ±¾Ìåºó£¬½«ÖÕ¶ËÖ÷ÌåÓÃÁ¦ÍÆÌ×Èë×°ÖÃλÖü´¿É¡£

| Ö´Ðбê×¼ | GB/T28427-2012 |
| ¶î¶¨µçѹU0 (kV) | 27.5 |
| ¹¤ÆµÄÍѹ(5min) (kV) | 124 |
| ¹¥»÷ÄÍѹ (kV) | 250 |
| 48kVϾֲ¿·Åµçˮƽ£¨pC£© | ¡Ü5 |
| Ô¤ÖÆÖÕ¶ËÖ÷ÌåÅÀ¾à (mm) | ¡Ý1350 |
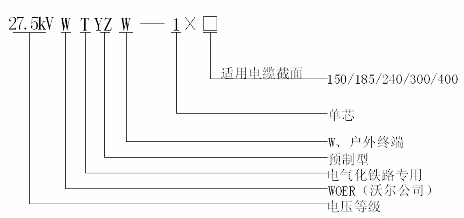
| ÊÊÓõçÀ½ØÃ棨 mm2£© | 150/185/240/300/400 |
