
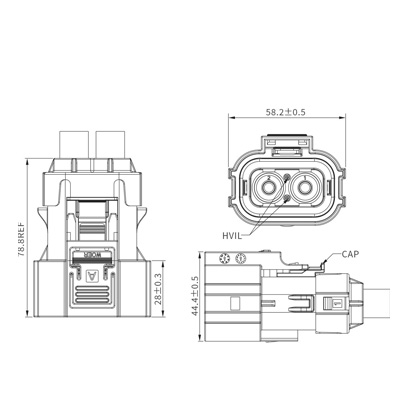
ÓÃÓڵ綯³µ¡¢»ìÏý¶¯Á¦Æû³µÊг¡µÄËܽºÍâ¿Ç¸ßѹ»¥ËøÅþÁ¬Æ÷£¬ÄÜÖª×㶯Á¦µç³Ø¡¢µç»ú¿ØÖÆÆ÷¡¢PDUµÈ¶àÖÖ¸ßѹ´óµçÁ÷µÄÅþÁ¬ÐèÇó¡£
ÏÂÔØÊÖ²á¸Ã²úƷΪËܽº¸ßѹÅþÁ¬Æ÷£¬½á¹¹½ô´Õ£¬Á½¼¶½âËø¡£¿É½Ó¶àÖÖµçÀ£¬ÓжàÖÖ·ÀÎó²å¼ü룬´ø¸ßѹ»¥Ëø£¬ÓзÀÊÖÖ¸´¥µçÉè¼Æ£¬360¡ãÆÁÕÏ¡£
±¾²úÆ·ÊÇÒ»¿îÓÃÓڵ綯³µ¡¢»ìÏý¶¯Á¦Æû³µÊг¡µÄËܽºÍâ¿Ç¸ßѹ»¥ËøÅþÁ¬Æ÷£¬ÄÜÖª×㶯Á¦µç³Ø¡¢µç»ú¿ØÖÆÆ÷¡¢PDUµÈ¶àÖÖ¸ßѹ´óµçÁ÷µÄÅþÁ¬ÐèÇó¡£
1¡¢µçÆøÌØÕ÷
¡ö ¶î¶¨µçѹ£º1000V DC
¡ö ¶î¶¨µçÁ÷(ÊÂÇéÇéÐÎζÈ30¡æ)£º
60A (ÊÊÅäµçÀÂ10mm?)
80A(ÊÊÅäµçÀÂ16mm?)
120A(ÊÊÅäµçÀÂ25mm?)
150A(ÊÊÅäµçÀÂ35mm?)
¡ö ¾øÔµµç×裺¡Ý2000M¦¸£¨³£Ì¬£©
¡ö ÄÍ Ñ¹£º3000V AC
2¡¢ÆäËû²ÎÊý
¡ö·À»¤Æ·¼¶£ºIP67
¡öÇéÐÎζȣº-40¡æ¡«+125¡æ
¡öÅþÁ¬Æ÷оÊý£ºÁ½Ð¾
¡öÅäÏß¹æ¸ñ£º10¡«35mm?
¡öµç´ÅÆÁÕÏ£º360¡ãÆÁÕÏ
¡ö»úеÊÙÃü£º¡Ý200´Î
3¡¢ÖÊÁϼ°Íâò´¦Öóͷ£
¡ö¿ÇÌåÖÊÁÏ£ºPA66
¡ö×èȼƷ¼¶£ºUL94 V-0
¡ö²åÕë¼°²å¿×ÖÊÁÏ£ºÍºÏ½ð
¡öÍâò´¦Öóͷ££º¶ÆÒø
¡öÃÜ·âÌ壺¹èÏð½º
HV600Á½Ð¾
ÐòºÅ | ¶©»õÐͺŠ| ²úÆ·ÐÎò | ÊÊÅäÏßÀ¹æ¸ñ |
| 1 | HV60002*HC10 | ²å×ù/½Ó10mm?·ÇÆÁÕÏÏß/´ø¸ßѹ»¥Ëø | 10mm?·ÇÆÁÕÏÏß |
| 2 | HV60002*NC10 | ²å×ù/½Ó10mm?·ÇÆÁÕÏÏß/²»´ø¸ßѹ»¥Ëø | 10mm?·ÇÆÁÕÏÏß |
| 3 | HV60002*HC16 | ²å×ù/½Ó16mm?·ÇÆÁÕÏÏß/´ø¸ßѹ»¥Ëø | 16mm?·ÇÆÁÕÏÏß |
| 4 | HV60002*NC16 | ²å×ù/½Ó16mm?·ÇÆÁÕÏÏß/²»´ø¸ßѹ»¥Ëø | 16mm?·ÇÆÁÕÏÏß |
| 5 | HV60002*HC25 | ²å×ù/½Ó25mm?·ÇÆÁÕÏÏß/´ø¸ßѹ»¥Ëø | 25mm?·ÇÆÁÕÏÏß |
| 6 | HV60002*NC25 | ²å×ù/½Ó25mm?·ÇÆÁÕÏÏß/²»´ø¸ßѹ»¥Ëø | 25mm?·ÇÆÁÕÏÏß |
| 7 | HV60002*HH | ²å×ù/½ÓÍÅÅ/´ø¸ßѹ»¥Ëø | ½ÓÍÅÅ |
| 8 | HV60002*NH | ²å×ù/½ÓÍÅÅ/²»´ø¸ßѹ»¥Ëø | ½ÓÍÅÅ |
| 9 | HV60062*HC10 | ²åÍ·/½Ó10mm?ÆÁÕÏÏß/´ø¸ßѹ»¥Ëø | 10mm?ÆÁÕÏÏß |
| 10 | HV60062*NC10 | ²åÍ·/½Ó10mm?ÆÁÕÏÏß/²»´ø¸ßѹ»¥Ëø | 10mm?ÆÁÕÏÏß |
| 11 | HV60062*HC16 | ²åÍ·/½Ó16mm?ÆÁÕÏÏß/´ø¸ßѹ»¥Ëø | 16mm?ÆÁÕÏÏß |
| 12 | HV60062*NC16 | ²åÍ·/½Ó16mm?ÆÁÕÏÏß/²»´ø¸ßѹ»¥Ëø | 16mm?ÆÁÕÏÏß |
| 13 | HV60062*HC25 | ²åÍ·/½Ó25mm?ÆÁÕÏÏß/´ø¸ßѹ»¥Ëø | 25mm?ÆÁÕÏÏß |
| 14 | HV60062*NC25 | ²åÍ·/½Ó25mm?ÆÁÕÏÏß/²»´ø¸ßѹ»¥Ëø | 25mm?ÆÁÕÏÏß |
| 15 | HV60062*HC35 | ²åÍ·/½Ó35mm?ÆÁÕÏÏß/´ø¸ßѹ»¥Ëø | 35mm?ÆÁÕÏÏß |
| 16 | HV60062*NC35 | ²åÍ·/½Ó35mm?ÆÁÕÏÏß/²»´ø¸ßѹ»¥Ëø | 35mm?ÆÁÕÏÏß |
| Ñ¡ÐÍϵÁÐ | HV600 |
| 0 | 0-·¨À¼ÅÌ×°Öòå×ù(Åä²åÕë) 6-ֱͷ²åÍ·(Åä²å¿×) |
| 2 | оÊý £º2-Á½Ð¾ |
| A | ·ÀÎó²å¼üλ£ºA-A¼üλ B-B¼üλ D-D¼üλ |
| H | ¸ßѹ»¥Ëø£ºH-´ø¸ßѹ»¥Ëø N-²»´ø¸ßѹ»¥Ëø |
| C25 | H-ÍÅÅ±âÆ½¿×Ëø½ô¶Ë×Ó£¨½öÏÞ²å×ù£© C*-ѹ½ÓÏßÀ¶Ë×Ó *´ú±íÊÊÅäÏßÀ¹æ¸ñ C10-ÊÊÅä10ƽ·½ÏßÀ C16-ÊÊÅä16ƽ·½ÏßÀ C25-ÊÊÅä25ƽ·½ÏßÀ C35-ÊÊÅä35ƽ·½ÏßÀ |
| N | ½öÏÞ²åÍ· ¿Õȱ£ºÆÁÕÏÏß N£º·ÇÆÁÕÏÏß ½öÏÞ²å×ù ¿Õȱ£º´ø¶¨Î»Öù N£ºÎÞ¶¨Î»Öù |